Description
Product Features
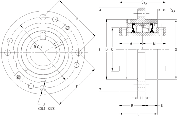
The QAAC18A307S is a double concentric piloted flange cartridge bearing designed for demanding industrial applications that require precise shaft alignment, superior load capacity, and stable performance under harsh working conditions.
This bearing type belongs to the solid-block mounted bearing family, featuring an integrated housing structure that ensures consistent operation, excellent rigidity, and easy installation.The piloted flange housing maintains accurate concentricity between the bearing and the shaft, ensuring smoother rotation and reduced mechanical stress.Solid-Block Housing Structure.The one-piece bearing housing provides excellent rigidity and resistance to impact and deformation during heavy-duty operation.Combined Load Support.Engineered to accommodate both radial and axial loads, making it suitable for high-torque and high-speed applications.Precision Machined Geometry.Dimensionally accurate parameters (BC = 8.63 in, D = 7.38 in, F = 10.34 in, etc.) allow for compatibility with standard industrial mounting configurations.
Core Advantages
Product Application
Large Fans and Compressors: In the main shaft systems of centrifugal fans, axial fans, and air compressors, it bears the bidirectional axial thrust and radial load caused by airflow, ensuring the long – term high – speed and stable rotation of the rotor.
Heavy – duty Transmission Systems: In heavy – duty gearboxes in the metallurgical and mining fields, it provides high – rigidity support for gear shafts, while dealing with axial runout and radial forces generated by gear meshing, improving transmission efficiency and reliability.
Industrial Centrifuges and Separation Equipment: In high – speed chemical centrifuges and dehydration centrifuges, it bears the centrifugal force (radial) and axial inertial force generated by the high – speed rotation of the rotor, ensuring the accuracy and stability of the separation process.
Large Pump Equipment: In large centrifugal pumps and reciprocating pumps in the petrochemical and power industries, it supports the pump shaft and bears the axial and radial loads caused by fluid pressure, reducing pump shaft vibration and prolonging the equipment maintenance cycle.






Reviews
There are no reviews yet.